产品说明
一、产品概述:
ZFG转子喂料机是我公司针对粉料锁料器漏气量大、跑料、冲料等影响系统安全运行的难题,专门组织科研人员研制开发的新一代粉料锁料器。由于它采用了特殊的双层结构及非刚性化密封技术,使得水泥、生料、矿渣微粉、煤粉、粉煤灰等极难出料的粉体物料精确喂料成为现实,是刚性叶轮给料机、电动锁料器等传统粉体物料喂料装置的理想换代产品。ZFG转子喂料机可与我公司生产的环状天平转子秤、螺旋铰刀秤组成相应的粉体物料计量控制系统,由于锁料给料机喂料均匀稳定,从而大大提高了各种粉体物料的计量、控制准确度。
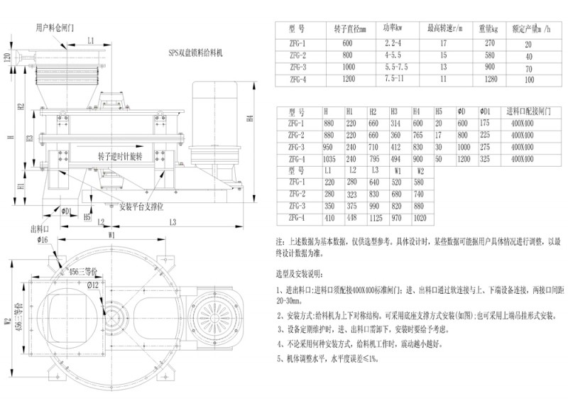
二、技术参数:
1、工作方式:连续;
2、给料能力:1-500t/h可选;
3、规 格:φ600mm,φ800mm,φ1000mm,φ1200mm,φ1400mm;
4、使用环境:-30~65℃;
5、相对湿度:≤90%;
6、供电电源:380V/AC+10%-15%/50Hz±2%。
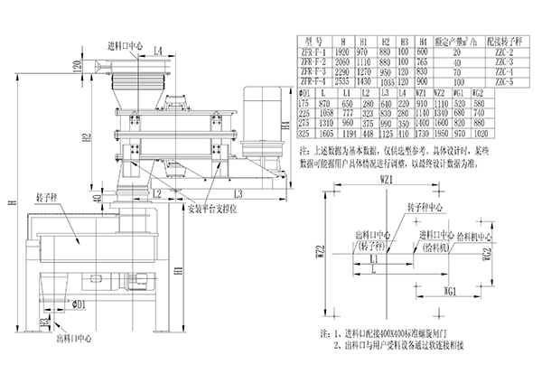
三、极速体育极速体育_nba在线直播极速体育_jrs电脑直播外形尺寸及数据:

四、ZFG转子喂料机典型应用:
1、与ZZC系列转子秤组成的粉料计控系统

2、与螺旋铰刀秤组成的粉料计控系统





