大把推首页
|
会员中心
|
服务热线:4000724365
|
保存桌面
|
手机浏览
2
3
唐山君科自动化极速体育极速体育_nba在线直播极速体育_jrs电脑直播有限公司
网站首页
公司介绍
供应产品
新闻中心
联系方式
新闻中心
暂无新闻
产品分类
暂无分类
联系方式
联系人:吴经理
电话:13930578268
手机:13930578268
传真:0315-3121138
首页
>
供应产品
>
清包输送机
清包输送机
点击图片查看原图
产品:
浏览次数:105
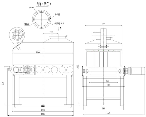
清包输送机
单价:
面议
最小起订量:
供货总量:
发货期限:
自买家付款之日起
3
天内发货
有效期至:
长期有效
最后更新:
2018-07-10 14:36
详细信息
产品说明
一、用途:
用于清理灌装后水泥袋表面浮灰,以降低污染,保护环境。
二、原理:
表面浮灰是经过离心风机吹拂,然后通过收尘罩负压吸入收尘器管路完成清包过程。
询价单
唐山君科自动化极速体育极速体育_nba在线直播极速体育_jrs电脑直播有限公司 联系电话:13930578268 联系人:吴经理 (先生)
©2019 北京三尚科技有限公司 版权所有 技术支持:
大把推
访问量:2220 |
管理入口
返回顶部