产品说明
一、产品概述:
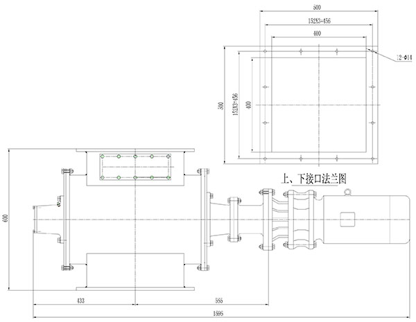
叶轮式给料机用于将上部料仓中的干燥粉状物料或小颗粒物料连续、均匀的喂送到下一极速体育极速体育_nba在线直播极速体育_jrs电脑直播中去。本给料机广泛适用于水泥、建材、化工、冶金及轻工业等部门物料输送系统作给料极速体育极速体育_nba在线直播极速体育_jrs电脑直播之用。本给料机是一种定量给料极速体育极速体育_nba在线直播极速体育_jrs电脑直播,配用摆线针轮减速机,它通过减速机出轴直接与主轴刚性连接,从而带动主轴和叶轮旋转。叶轮上装有若干个叶轮片,用压板压紧,密封片紧贴外壳内壁。当电机旋转时,主轴、叶轮同时旋转,物料从上部料仓通过料口进入叶轮槽内,旋转的叶轮把物料带到出料口喂送出去。
二、 结构特点:
1、叶轮给料机用于包装机内物料的定量供给控制,其叶轮不受中间仓仓压影响而自行转动;
2、叶轮与壳体间隙小,锁料性能好,供料均匀可靠。
三、技术参数:





