产品说明
一、概述:
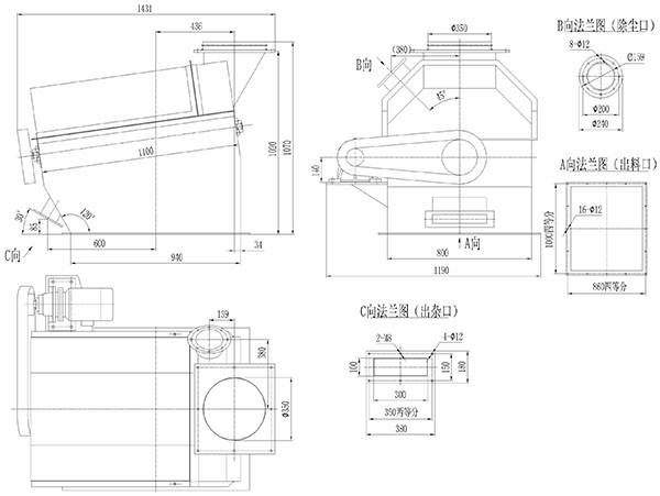
JKGS-120滚筒筛是我公司专门为水泥厂筛分水泥粉、生料粉、矿渣、微粉、粉煤灰等粉状物料而设计的高效筛选极速体育极速体育_nba在线直播极速体育_jrs电脑直播。它采用滚筒筛网,网孔方便调整,可有效地筛除粉状物料中掺入的硬质杂质,从而保证筛选极速体育极速体育_nba在线直播极速体育_jrs电脑直播以下各种输送极速体育极速体育_nba在线直播极速体育_jrs电脑直播的可靠运行;该极速体育极速体育_nba在线直播极速体育_jrs电脑直播尤其适用于水泥粉物料的筛分,由于它采用了特殊的除杂、排杂结构,可直接取代直线振动筛、除铁器等除杂极速体育极速体育_nba在线直播极速体育_jrs电脑直播。
二、技术参数:





